| 參數與型號 | KJTTBH10系列 | KJTTBH20系列 | KJTTBH30系列 | KJTTBH40系列 | |
| 光軸數 | 16、24至160 | 8、10至160 | 4、6至160 | 4、6至160 | |
| 光軸距 | 10mm | 20mm | 30mm | 40mm | |
| 適合小保護物體 | φ15mm | φ25mm | φ35mm | φ45mm | |
| 保護幅寬 | 光軸間距×(光路數-1) | ||||
| 檢測范圍 | A系列:0-3m;B系列:0-6m;C系列:0-12m;D系列:0-20m | ||||
| 電源電壓 | DC24V±10% | ||||
| 功耗 | <8W | ||||
| 響應時間 | 3-32ms | ||||
| 輸出 | 模擬量 | 1-5VDC 或4-20mA | |||
| 通訊輸出 | RS485 MODBUS協議RTU二進制模式 | ||||
| 輔助輸出 | 輸出模式 | 繼電器無源觸點輸出 | |||
| 輸出狀態 | 常開或常閉輸出狀態 | ||||
| 觸點容量 | 2A/250V、30VDC | ||||
| 保護 | 具有輸出短路保護功能 | ||||
| 指示燈 | 發射器 | 黃燈亮、電源接通 | |||
| 接收器 | 紅綠雙色指示燈,未遮光時(綠色),遮光時(紅色) | ||||
| 環境溫度 | -25-+70°攝氏度(注意不可結露、結冰) | ||||
| 數碼管顯示※ | 顯示光軸遮擋位置,顯示范圍0-G0 | ||||
| 耐光環境 | 太陽光:10000Lx,白織燈:3000 Lx | ||||
| 環境溫度 | -25-+70°攝氏度(注意不可結露、結冰) | ||||
| 環境濕度 | 35-95%RH | ||||
| 抗振動 | 頻率:10-55Hz,振幅:0.75mm,在X、Y、Z各方向2小時 | ||||
| 抗沖擊 | 加速度300m/s,在X、Y、Z各方向2小時 | ||||
| 絕緣電阻 | AC1000V,50/60Hz,1分鐘 | ||||
| 介電強度 | DC500V,20MΩ | ||||
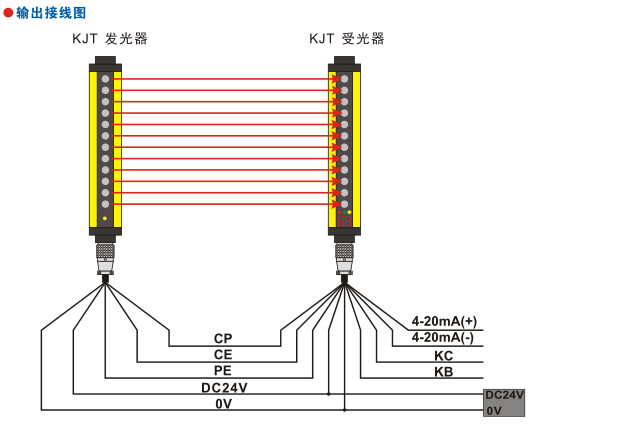
| 連接方式 | 配專用連接電纜,發光器5芯,受光器9芯 | ||||
| 殼體材料 | 外殼:鋁合金 端蓋:ABS工程塑料 支架:冷軋鋼板 | ||||
| 防護結構 | IP65 | ||||


