KJT-SAQC-1604一體化溫度變送器
- ●:二線制輸出,無需補償導線;
- ●:抗干擾能力強,遠傳性能好;
- ●:結構簡單,合理安裝方便;
- ●:小型化,安裝可靠,使用壽命長;
- ●:小型化,安裝可靠,使用壽命長;
廣泛應用石油、化工、紡織、橡膠、建材、電力、冶金、醫藥、食品等自動化檢測與控制領域。表頭,可以通過表頭按鍵修改輸入分度號以及量程范圍。
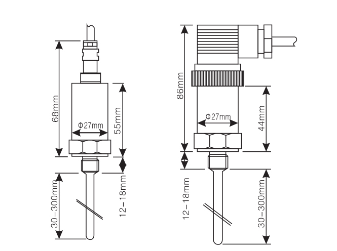
SAQC-1600防爆一體化溫度變送器SAQC-1604防爆-體化溫度變送器采用PT100傳感器數字顯示表頭,4--20mA輸出,插入深度可根據客戶需要訂做,可以是螺紋固定式或法蘭安裝式,也數顯現場顯示溫度,清晰度高,無視覺誤差。
可保護管外襯四氟防腐。二線制輸出,無需補償導線;抗干擾能力強,遠傳性能好;結構簡單,合理安裝方便;小型化,安全可靠,使用壽命長;二線制,三線制輸入方法通過;數顯現場顯示溫度,清晰度高,無視覺誤差。

| 輸入 | 熱電阻Pt100 | |
| 測溫范圍 | -200℃-450℃(熱電阻) | |
| 精度等級 | 0.5%FS | |
| 輸出信號 | 4-20mA | |
| 供電電壓 | 24VDC | |
| 負載電壓 | 0-500Ω | |
| 環境溫度 | -20—85℃ | |
| 接口 | M20×1.5、M16×1.5或G1/2\G1/4 | |
| 保護管材質 | 1Cr18Ni9Ti | |
| 插身 | 30mm/50mm/100mm/150mm/200mm/250mm/300mm | |
| 型普 | 說明 | |
| KJT-SAQC-1604 | 一體化溫度變送器 | |
| 輸出方式 | E | 4-20mA |
| V5 | 0-5V | |
| V10 | 0-10V | |
| 精度等級 | 1 | 0.5級 |
| 2 | 0.2級 | |
| 過程連接 | A | 20*1.5 |
| B | 16*1.5 | |
| 保護管 | 0 | 6 |
| 1 | 5 | |
| 顯示方式 | 0 | 不帶顯示 |
| M3 | 帶LED表頭顯示 | |
| 供電方式 | A | DC24V電池供電 |
| 測量范圍 | -200-450℃(熱電阻) | 客戶自選 |



