KJT-LS無線系拉繩開關
- 產品系列:KJT-LS無線系拉繩開關
- 負載電流:AC380V 5A,DC24V 5A
- 觸點方式:常開1.常團1;常開2. 常閉2.(訂貨時請注明)
- 復位方式:手動
- 電器壽命:>10萬次
- 防護等級:IP65/IP67
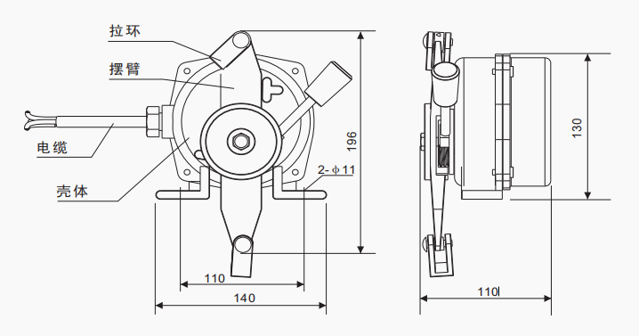
![]()
| 型 號 | KJT-LS47CSZK(無線拉繩) | |
| 協議標準 | LoRa 私網協議 | |
| 頻率范圍 | 470~510MHz FHSS | |
| 最大鏈路預算 | 162dB | |
| 最大輸出功率 | 20dBm | |
| 極化方式 | 單極化;垂直極化 | |
| 靈敏度 | 傳輸速率 | 接收靈敏度(dBm) |
| 2400bps | -126dBm | |
| 800bps | -130dBm | |
| 300bps | -140dBm | |
| 建議傳輸距離 | 20-1000M | |
管 理 | |||
| 管理方式 | 支持中/英文管理、配置免重啟; | ||
| 復位 | 硬件 | 支持 | |
| 軟件 | 支持 | ||
| 功 能 | |||
| 工作模式 | P2P-S、M2P等 | ||
| 輸入配置 | 支持4路IO( 觸點) 支持RS485(選配) 支持無線配置參數 | ||
| 顯示屏及感應按鍵 | 顯示屏(LED)防水型無 | ||
| 感應按鈕(選配)防水型無 | |||
| 顯示屏顯示 | 電量狀態,連接狀態,信號強弱,指令狀態,設備類型 | ||
| 實時數據狀態顯示 | 支持各路IO口狀態實時顯示 | ||
| 安全性 | |||
| 無線加密 | CPC校驗 AES128 | ||
| 硬件 | |||
| CPU | 工業級MCU | ||
| 內存 | FLASH | 16MB | |
| SRAM | 32K | ||
| 主頻 | 48MHz | ||
1.將拉繩開關固定在支架上,然后焊在機架上;
2.兩機之間距離為55-60米,采用直徑為Φ4的鋼絲繩連接,松緊應適中;
3.為減小鋼絲繩自重對開關啟動影響,每隔5-10米在機架上焊拖環,支撐鋼絲繩;
4.開機前優先安裝天線,安裝完成按下防水開關即可自動尋找上位機;
5.無線拉繩開關與無線網關或主機配對安裝, 出廠前已默認完成配對程序,設備ID貼于產品表面,按照對應點表安裝。
| 接 口 | |||
| 接插口 | 接插口數量 | 1 | |
| 接插口屬性 | M16不銹鋼防水開關 | ||
| 天線 | 天線接口 | SMA | |
| 天線增益 | 3dBi | ||
| 天線角度 | 垂直極化 全向天線 | ||
| 供 電 | |||
| 供電方式 | 鋰亞電池 | DC3.6v 6.5Ah | |
| 機械參數 | |||
| 角度 | 動作角度 | 30° | |
| 極限角度 | 60° | ||
| 動作力 | 10kg | ||
| 觸點 | 常開數量 | 2路(默認) | |
| 常閉數量 | 2路(選配) | ||
| 復位 | 自動 | 1級報警 | |
| 手動 | 2級報警 | ||
| 微動開關 | 歐姆龍 | ||
| 使用次數 | 10^6 | ||
| 外殼材質 | 鑄鋁(默認) 不銹鋼(選配) | ||
| 重量 | 3kg/3.5kg | ||
| 工作環境及特征 | |||
| 工作溫度 | -20~60℃ | ||
| 儲存溫度 | -20~60℃ | ||
| 濕度(非凝結) | ≤95%(非凝結) | ||
| 信號輸入 | 4路IO(觸點)RS485 | ||
| 尺寸 | L*W*H(mm) | 220*200*130 | |
| 工作電流 | 滿負荷工作電流 | < 0.5mA @3.6V | |
| 正常狀態工作電流 | < 0.15mA @3.6V | ||
| 空閑狀態工作電流 | <0.05mA @3.6V | ||







●開關平衡得按在機架的固定支架上;
●將鋼絲繩系在兩端的拉環上,每側繩不超過40m(有坡度時應當縮短);
●拉繩壓力應適宜,以確保開關可靠復位;
●拉繩沿膠帶平行方向設置,每10m加一吊環。
●鋼絲繩按用戶所需規格,廠方可代購。



