方形電容式管道液位傳感器
- ●:采用不銹鋼、塑料或PTFE外殼的電容式傳感器
- ●:多種結構、外殼材料和物美價廉的規格可供選擇 匹配和設置十分簡單
- ●:自粘型號,固定方便靈活
- ●:用于探測塑料顆粒、谷物、飼料/木料顆粒、油品、含水液體、酸、堿、導電粉塵等材料的填充位
●電容式接近傳感器
電容式接近傳感器可用無接觸的方式來檢測任意一個物體.電容式接近開關能檢測金屬物體,也能檢測非金屬物體,不管被檢測物體顏色和表面狀態如何,是否透明,都可以可靠檢測,靈敏度可調旋鈕,對密閉的非金屬容器內的液體,粉體等材料可進行間接檢測.幾乎可以識別所有的材料.
●工作原理
電容式接近開關亦屬于一種具有開關量輸出的位置傳感器,首先需測量傳感器感應面電極和電路電位電極之間的電容,一個接近的物體影響這個電容器兩極之間的電場.該原理不僅適用于金屬物,也適用于非金屬物.電容式傳感器一般通過一個RC振蕩器工作,即使是一個很小的電容變化都會影響其振幅.然后集成電路將振幅換成開關信號,其靈敏度可以通過電位器調節.

量 程 | 26mm |
安裝方式 | 非埋入式 |
連接方式 | 電纜(三芯線,直徑3mm) |
電源電壓 | 12-24VDC |
控制輸出 | NPN.NO/PNP.NO/NPN.NC/PNP.NC |
靈敏度調節 | 多圈可調 |
最大輸出電流 | 100mA |
消耗電流 | 小于8mA |
電源反相保護 | 裝備 |
漏電電流 | <0.1mA |
殘留電壓 | <1.5VDC |
開關頻率 | 50Hz |
輸出短路保護 | 裝備 |
滯 回 | 10% |
環境溫/濕度 | -10℃至55℃/35%至85%相對濕度 |
IP防護等級 | IP67 |
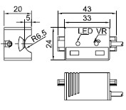
尺 寸 | 長X寬X高 33X34X20mm |
外殼材料 | ABS工程塑料 |
適用管道 | 材質:塑料、玻璃、陶瓷等非金屬材料;外徑:12-26mm,壁厚<3mm |







