防爆設計,IP67 防護等級,適用于強烈光線,單位額定功率高,智能芯片反應靈敏,防水防油,抗干擾性能強,運行穩定抗干擾。

產品名稱 | 防爆光電開關 | ||
保護電流 | 3A | ||
響應時間 | <1.5ms | ||
最大感應距離 | 對射型10M 鏡面反射板型5M 30CM/50CM/100CM | ||
防爆等級 | CT6/DIP A20/A21區 | ||
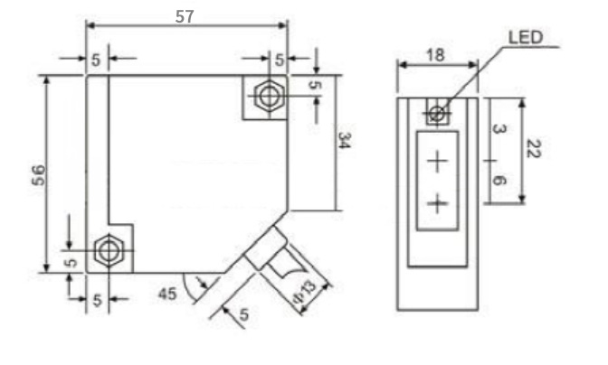
尺寸 | 57*22*56mm | ||
防護等級 | IP67 | ||
外殼材質 | 不銹鋼外殼 | ||
| 光源 | 紅外光LED/ 激光 | ||
標準線長 | 2m | ||
| 無負載電流 | ≤30mA | ||
| 電壓降 | ≤2.5V | ||
| 靈敏度調節 | Trimmer 1tum | ||
| 響應時間 | <5ms | ||
| 短路保護 | Yes | ||
| 上電保護 | Yes | ||
| 工作溫度 | -25°C- 55°C | ||
| 環境濕度 | 35 to 85% RH | ||
| 適合大強光 | ≤10.000Lux | ||
| 防護等級 | IP66 | ||





