KJT-SJ-I型非接觸式數顯打滑檢測器
- 產品系列:KJT-SJ型非接觸式數顯打滑檢測器
- 負載電流:AC380V 5A,DC24V 5A
- 觸點方式:常開1.常團1;常開2. 常閉2.(訂貨時請注明)
- 復位方式:自動
- 電器壽命:>10萬次
- 防護等級:IP65/IP67
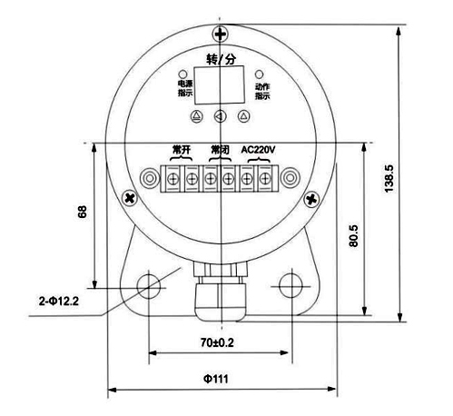
凱基特KJT-SJ-I型非接觸式數顯打滑檢測器是一種經濟、可靠性強、對軸轉速及其他旋轉裝置簡單通用的監測裝置,當檢測到目前轉速信號低于或高于正常轉速范圍,開關輸出一組開關信號,以供報警或停機。無運動部件、無磨損、安全壽命長,一體化結構,集中的控制裝置,設定或故障檢修簡單。外殼采用防水、防塵的設計,兩螺栓固定殼體,可直接安裝在惡劣環境中使用。 
| 環境溫度 | -30℃~+50℃ |
| 相對濕度 | 不小于85% |
| 測速范圍 | 0.5-9.99m/s |
| 延時時間 | 10秒 |
| 脈沖 | 6-120Hz |
| 觸點數量 | 常開1.常閉1;常開2.常閉2(訂貨時請注明) |
| 觸點容量 | AC380V/5A |
| 工作電壓 | AC 220V |
| 可靠性 | >10萬次 |
| 防護等級 | IP65/IP67 |





